
તે Stm8s103f3p6 STMicroelectronic દ્વારા ઉત્પાદિત 8-બીટ માઇક્રોકન્ટ્રોલર છે, જે તેની પ્રભાવશાળી કાર્યક્ષમતા અને સીમલેસ એકીકરણ માટે પ્રખ્યાત છે.આ કોમ્પેક્ટ ડિવાઇસ એક સરફેસ-માઉન્ટ ડિવાઇસ (એસએમડી) માઉન્ટિંગ સ્ટાઇલથી સજ્જ છે, જે અદ્યતન કોર અને પેરિફેરલ્સને મૂર્તિમંત બનાવે છે જે કટીંગ એજ ટેકનોલોજીનો ઉપયોગ કરીને સાવચેતીપૂર્વક બનાવવામાં આવે છે.16 મેગાહર્ટઝની ઘડિયાળની આવર્તન સાથે, એસટીએમ 8 એસ 103 એફ 3 પી 6 એક મજબૂત આઇ/ઓ ક્ષમતા ધરાવે છે, કાર્યક્ષમ ડેટા પ્રોસેસિંગ અને હેન્ડલિંગને સુનિશ્ચિત કરે છે.તેનો સ્વતંત્ર વોચડોગ ટાઈમર, જે સ્વતંત્ર ઘડિયાળ સ્રોત અને ઘડિયાળ સુરક્ષા સિસ્ટમથી સજ્જ છે, સંભવિત વિક્ષેપો સામે શ્રેષ્ઠ ઉપકરણ પ્રદર્શન અને સ્થિતિસ્થાપકની બાંયધરી આપે છે.
તેની સ્ટેન્ડઆઉટ સુવિધાઓમાંની એક તેની ફ્લેશ મેમરી છે, જે કોડ અને ડેટા માટે નોન-વોલેટાઇલ સ્ટોરેજ પ્રદાન કરે છે.2.95 વીથી 5.5 વી સુધીની operating પરેટિંગ વોલ્ટેજ રેન્જ સાથે, આ માઇક્રોકન્ટ્રોલર ખૂબ સર્વતોમુખી અને વિવિધ એપ્લિકેશનોને સ્વીકાર્ય છે.વધુમાં, તે -40 ° સે થી 85 ° સે વિશાળ operating પરેટિંગ તાપમાન શ્રેણી પ્રદાન કરે છે, જે વિવિધ પર્યાવરણીય પરિસ્થિતિઓમાં જમાવટ માટે યોગ્ય બનાવે છે.
• એમએસપી 430 જી 2353
• PIC16LF18444T


ઓછા પાવર વપરાશ: તેમાં વિવિધ પ્રકારના ઓછા પાવર વપરાશ મોડ્સ છે, જેમાં નિષ્ક્રિય મોડ, સ્લીપ મોડ, ડીપ સ્લીપ મોડ અને mode ફ મોડનો સમાવેશ થાય છે, જે અસરકારક રીતે બેટરી જીવનને વિસ્તૃત કરી શકે છે અને energy ર્જાને બચાવી શકે છે.
ઉચ્ચ પ્રદર્શન: તે ઉચ્ચ પ્રદર્શન એસટીએમ 8 કોર આર્કિટેક્ચરને અપનાવે છે, જે operating પરેટિંગ આવર્તનને 16 મેગાહર્ટઝ જેટલું be ંચું કરવાની મંજૂરી આપે છે, જે સૂચના એક્ઝેક્યુશનની ગતિને મોટા પ્રમાણમાં સુધારે છે અને અમારી એપ્લિકેશનો માટે વધુ કાર્યક્ષમ કમ્પ્યુટિંગ ક્ષમતાઓ પ્રદાન કરે છે.
મલ્ટીપલ કમ્યુનિકેશન ઇન્ટરફેસો: તે એસપીઆઈ (સીરીયલ પેરિફેરલ ઇન્ટરફેસ), આઇ 2 સી અને યુએઆરટી સહિતના વિવિધ સંદેશાવ્યવહાર ઇન્ટરફેસોને સપોર્ટ કરે છે.આ ઇન્ટરફેસો દ્વારા, તે વધુ કાર્યો અને એપ્લિકેશનો પ્રાપ્ત કરવા માટે બાહ્ય ઉપકરણો સાથે સરળતાથી વાતચીત અને સંપર્ક કરી શકે છે.
વિપુલ પ્રમાણમાં પેરિફેરલ્સ: એસટીએમ 8 એસ 103 એફ 3 પી 6 માઇક્રોકન્ટ્રોલરમાં પેરિફેરલ સંસાધનો છે, જેમાં 16 કેબી ફ્લેશ મેમરી અને 1 કેબી રેમ મેમરીનો સમાવેશ થાય છે, તેમજ સામાન્ય રીતે ઉપયોગમાં લેવામાં આવતા ઇન્ટરફેસો જેમ કે જીપીઆઈઓ પિન, ટાઈમર અને યુઆઆરએટી.આ પેરિફેરલ્સની વિવિધતા ઉપકરણને વિવિધ એપ્લિકેશન દૃશ્યો માટે યોગ્ય બનાવે છે અને વિવિધ ક્ષેત્રો અને ઉદ્યોગોની જરૂરિયાતોને પૂર્ણ કરી શકે છે.પછી ભલે તે industrial દ્યોગિક નિયંત્રણ, સ્માર્ટ હોમ અથવા એમ્બેડ કરેલી સિસ્ટમ્સ હોય, STM8S103F3P6 સપોર્ટ પ્રદાન કરી શકે છે.

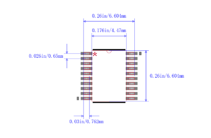
એસટીએમ 8 એસ 103 એફ 3 પી 6 પાતળા સંકોચો નાના રૂપરેખા પેકેજ (ટીએસએસઓપી) માં પેક કરવામાં આવે છે અને તેમાં 20 પિન છે.શરીર અને લીડ અંતર પ્રમાણભૂત સોચ પેકેજો કરતા નાના છે.ટીએસએસઓપીની લાક્ષણિક લાક્ષણિકતા એ પેકેજ્ડ ચિપની આજુબાજુના પિનની રચના છે, જે એસએમટી તકનીકનો ઉપયોગ કરીને પીસીબી પર વાયરિંગ માઉન્ટ કરવા માટે યોગ્ય બનાવે છે.ટીએસએસઓપી પેકેજનો ઉપયોગ કરતી વખતે, પરોપજીવી પરિમાણો (વર્તમાનમાં મોટા ફેરફારોને કારણે થતાં આઉટપુટ વોલ્ટેજ ખલેલ) ઓછી હોય છે, તેથી તે ઉચ્ચ-આવર્તન એપ્લિકેશનો માટે યોગ્ય છે.આ પ્રકારનું પેકેજ સંચાલન કરવા માટે વધુ અનુકૂળ છે અને તેમાં ઉચ્ચ વિશ્વસનીયતા છે.
TSSOP પેકેજમાં નીચેની સુવિધાઓ છે:
• નાના પિન અંતર: પિન અંતર સામાન્ય રીતે 0.5 મીમી અથવા 0.65 મીમી હોય છે.સર્કિટ બોર્ડ કોપર બારની ડિઝાઇન દ્વારા, વધુ ઉપકરણો સમાન ક્ષેત્ર અને કદ સાથે સર્કિટ બોર્ડ પર મૂકી શકાય છે.
Application એપ્લિકેશનનો વિશાળ અવકાશ: તે માઇક્રોકન્ટ્રોલર્સ, ડીએસપી, મેમરી ચિપ્સ અને પાવર સપ્લાય ચિપ્સ જેવા વિવિધ એપ્લિકેશન ક્ષેત્રો પર લાગુ થઈ શકે છે.
Pin ઉચ્ચ પિન ગણતરી: પિનની સંખ્યા સામાન્ય રીતે 20 થી 64 ની આસપાસ હોય છે, જે ચોક્કસ ચિપ એકીકરણ આવશ્યકતાઓને પૂર્ણ કરી શકે છે.
Package નાના પેકેજ કદ: સામાન્ય નાના રૂપરેખા (તેથી) પેકેજોની તુલનામાં, તેનું પેકેજ કદ ઓછું છે, જાડાઈ પાતળી હોય છે, અને વોલ્યુમ ઓછી હોય છે, જે તેને ઉચ્ચ-ઘનતાવાળા એકીકૃત સર્કિટ્સના પેકેજિંગ માટે યોગ્ય બનાવે છે.
Expers ઉચ્ચ પ્રદર્શન: તે સપાટી માઉન્ટ તકનીકને અપનાવે છે, સારી વાહકતા અને કાટ પ્રતિકાર ધરાવે છે, અને ઉચ્ચ ગતિ, ઉચ્ચ આવર્તન, લઘુચિત્રકરણ અને તેથી વધુ જેવી વિશેષ આવશ્યકતાઓને પૂર્ણ કરી શકે છે.
અન્યથા ઉલ્લેખિત સિવાય, બધા વોલ્ટેજને વીએસએસનો સંદર્ભ આપવામાં આવે છે.
ન્યૂનતમ અને મહત્તમ મૂલ્યોની સૌથી પ્રતિકૂળ પરિસ્થિતિઓમાં બાંયધરી આપવામાં આવે છે, જેમાં આજુબાજુના તાપમાન, સપ્લાય વોલ્ટેજ અને ફ્રીક્વન્સીઝનો સમાવેશ થાય છે.આ ગેરંટીઝ 100% ઉપકરણો પર કરવામાં આવેલા સખત ઉત્પાદન પરીક્ષણો દ્વારા સ્થાપિત કરવામાં આવે છે, જે ટીએ = 25 ° સે અને ટીએ = ટામેક્સ (પસંદ કરેલા તાપમાન શ્રેણી દ્વારા વ્યાખ્યાયિત કર્યા મુજબ) ના આજુબાજુના તાપમાન પર હાથ ધરવામાં આવે છે.
લાક્ષણિકતા પરિણામો, ડિઝાઇન સિમ્યુલેશન અને/અથવા તકનીકી લાક્ષણિકતાઓ પર આધારિત મૂલ્યો કોષ્ટક ફૂટનોટ્સમાં દર્શાવેલ છે અને ઉત્પાદન પરીક્ષણ કરાવ્યું નથી.લાક્ષણિકતા વિશે, લઘુત્તમ અને મહત્તમ મૂલ્યો નમૂનાના આકારણીઓ સાથે સંબંધિત છે અને પ્રમાણભૂત વિચલન (સરેરાશ ± 3σ) ની ત્રણ ગણી વત્તા અથવા બાદબાકીની શ્રેણી સાથે સરેરાશ મૂલ્ય સૂચવે છે.
જ્યાં સુધી સ્પષ્ટ રીતે અન્યથા જણાવ્યું ન હોય ત્યાં સુધી, પ્રમાણભૂત ડેટા ટીએ = 25 ° સે, વીડીડી = 5 વી સાથે સ્થાપિત કરવામાં આવે છે. આ મૂલ્યો ફક્ત ડિઝાઇન સંદર્ભો તરીકે પ્રદાન કરવામાં આવે છે અને પરીક્ષણ કરાવ્યું નથી.
એડીસી મૂલ્યોની લાક્ષણિક ચોકસાઈ સંપૂર્ણ તાપમાન શ્રેણીમાં પ્રમાણભૂત પ્રસરણ લોટમાંથી નમૂનાઓના સમૂહના લાક્ષણિકતા દ્વારા સ્થાપિત થાય છે.આ સંદર્ભમાં, 95% ઉપકરણો નિર્દિષ્ટ મૂલ્ય (સરેરાશ ± 2σ) ની અંદર ભૂલ દર્શાવે છે.
જ્યાં સુધી ખાસ સૂચવવામાં ન આવે ત્યાં સુધી, બધા પ્રમાણભૂત ગ્રાફ ફક્ત ડિઝાઇન સંદર્ભો તરીકે બનાવાયેલ છે અને પરીક્ષણને આધિન નથી.
નિર્દિષ્ટ સંપૂર્ણ મહત્તમ રેટિંગ્સને વટાવીને ઉપકરણને કાયમી નુકસાન થઈ શકે છે.આ રેટિંગ્સ ફક્ત તાણની મર્યાદા સૂચવે છે જે ઉપકરણ સહન કરી શકે છે, અને તે સૂચિત નથી કે ઉપકરણ આ શરતો હેઠળ યોગ્ય રીતે કાર્ય કરશે.મહત્તમ રેટિંગ્સની નજીક અથવા તેની નજીકના શરતોના સંપર્કમાં ઉપકરણની વિશ્વસનીયતાને પ્રતિકૂળ અસર થઈ શકે છે.
ડિવાઇસની મિશન પ્રોફાઇલ, જે તેની એપ્લિકેશન શરતોની રૂપરેખા આપે છે, જેઈડીઇસી જેએસડી 47 ક્વોલિફિકેશન સ્ટાન્ડર્ડનું પાલન કરે છે, વિનંતી પર વિસ્તૃત મિશન પ્રોફાઇલ્સ સાથે.
પ્રાથમિક નિયમનકાર માટે સ્થિરતા પ્રાપ્ત કરવા માટે, સીઇએક્સટી લેબલવાળા બાહ્ય કેપેસિટર વીસીએપી પિન સાથે જોડાયેલ હોવું જોઈએ.તે સુનિશ્ચિત કરવું જરૂરી છે કે શ્રેણી ઇન્ડક્ટન્સ 15 એનએચથી નીચે છે.
વર્તમાન વપરાશ નીચેના ચિત્રમાં સચિત્ર મુજબ માપવામાં આવે છે.

રન મોડમાં કુલ પુરવઠો વર્તમાન વપરાશ
એમસીયુ નીચેની શરતો હેઠળ મૂકવામાં આવે છે:
Per બધા પેરિફેરલ્સ અક્ષમ કરવામાં આવે છે (પેરિફેરલ ક્લોક ગેટિંગ રજિસ્ટર દ્વારા ઘડિયાળ બંધ) સિવાય કે સ્પષ્ટ રીતે ઉલ્લેખિત હોય.
V વીડીડી અથવા વીએસએસ પર સ્થિર મૂલ્ય સાથે ઇનપુટ મોડમાં બધા આઇ/ઓ પિન (કોઈ લોડ નથી)
વીડીડી અને ટી.એ. માટે સામાન્ય operating પરેટિંગ શરતોને આધિન.

STM8S103F3P6 માં 20 પિન છે, તેના પિન નામો અને કાર્યો નીચે મુજબ છે:
પિન 1 (પીડી 4/ બીઇપી/ ટિમ 2_ સીએચ 1/ યુઆરટી 1 _ck): પોર્ટ ડી 4
પિન 2 (પીડી 5/ એએન 5/ યુઆઆરટી 1 _ટીએક્સ): પોર્ટ ડી 5
પિન 3 (પીડી 6/ એએન 6/ યુઆઆરટી 1 _ આરએક્સ): પોર્ટ ડી 6
પિન 4 (એનઆરએસટી): ફરીથી સેટ કરો
પિન 5 (પીએ 1/ઓસિન): પોર્ટ એ 1
પિન 6 (પીએ 2/ઓસ્કઆઉટ): પોર્ટ એ 2
પિન 7 (વીએસએસ): ડિજિટલ ગ્રાઉન્ડ
પિન 8 (વીસીએપી): 1.8 વી રેગ્યુલેટર કેપેસિટર
પિન 9 (વીડીડી): ડિજિટલ પાવર સપ્લાય
પિન 10 (પીએ 3/ ટિમ 2_ સીએચ 3 [એસપીઆઈ_ એનએસએસ]): પોર્ટ એ 3
પિન 11 (પીબી 5/ આઇ 2 સી_ એસડીએ [ટિમ 1_ બીકીન]): પોર્ટ બી 5
પિન 12 (પીબી 4/ આઇ 2 સી_ એસસીએલ): પોર્ટ બી 4
પિન 13 (પીસી 3/ ટિમ 1_ચ 3 [ટીએલઆઈ] [ટિમ 1_ સીએચ 1 એન]): પોર્ટ સી 3
પિન 14 (પીસી 4/ સીએલકે_સીઓ/ ટિમ 1_ સીએચ 4/ એએન 2/ [ટિમ 1_ સીએચ 2 એન]): પોર્ટ સી 4
પિન 15 (પીસી 5/ એસપીઆઈ_એસસીકે [ટિમ 2_ સીએચ 1]): પોર્ટ સી 5
પિન 16 (પીસી 6/ એસપીઆઈ_મોસી [ટિમ 1_ સીએચ 1]): પોર્ટ સી 6
પિન 17 (પીસી 7/ એસપીઆઈ_મિસો [ટિમ 1_ સીએચ 2]): પોર્ટ સી 7
પિન 18 (પીડી 1/ સ્વિમ): પોર્ટ ડી 1
પિન 19 (પીડી 2/ એએન 3/ [ટિમ 2_ સીએચ 3]): પોર્ટ ડી 2
પિન 20 (પીડી 3/ એએન 4/ ટિમ 2_ સીએચ 2/ એડીસી_ ઇટીઆર): પોર્ટ ડી 3
ઉપરના આકૃતિમાં બતાવ્યા પ્રમાણે, એસટીએમ 8 એસ 103 એફ 3 પી 6 ચિપમાં 16 આઇ/ઓ પિન છે, જેનો ઉપયોગ વિવિધ હેતુઓ માટે થઈ શકે છે, જેમ કે જીપીઆઈઓ, પેરિફેરલ ઇન્ટરફેસો, એડીસી, વગેરે. તેના આઇ/ઓ પિન દ્વિપક્ષીય છે અને હોઈ શકે છેબાહ્ય સંકેતો વાંચવા માટે ઇનપુટ પિન તરીકે અથવા બાહ્ય ઉપકરણોને સંકેતો મોકલવા માટે આઉટપુટ પિન તરીકે ઉપયોગમાં લેવાય છે.આ ઉપરાંત, દરેક I/O પિનને જ્યારે થાય છે ત્યારે વિક્ષેપોની સચોટ પ્રક્રિયાની સુવિધા માટે સ્વતંત્ર રીતે વિક્ષેપ વેક્ટરને સોંપવામાં આવી શકે છે.
• ઓટોમેશન સિસ્ટમ્સ: આ માઇક્રોકન્ટ્રોલરનો ઉપયોગ ઇલેક્ટ્રિક કર્ટેન્સ, control ક્સેસ કંટ્રોલ સિસ્ટમ્સ, તાપમાન નિયંત્રણ અને લાઇટિંગ કંટ્રોલ જેવી auto ટોમેશન સિસ્ટમ્સમાં થઈ શકે છે.
• આઇઓટી (વસ્તુઓનું ઇન્ટરનેટ) એપ્લિકેશન: જો આપણે આઇઓટી ડિવાઇસેસ વિકસાવવાની જરૂર હોય, તો તેનો ઉપયોગ વિવિધ સેન્સર અને સંદેશાવ્યવહાર મોડ્યુલોને કનેક્ટ કરવા અને નિયંત્રિત કરવા માટે આઇઓટી નોડ્સ માટે નિયંત્રક તરીકે થઈ શકે છે.
• વ્યક્તિગત ઇલેક્ટ્રોનિક ઉપકરણો: ડિજિટલ કેમેરા, એમપી 3 અને એમપી 4 પ્લેયર્સ, ઇલેક્ટ્રોનિક ગેમ કન્સોલ, વગેરેમાં વપરાય છે.
• ઇલેક્ટ્રોનિક ઉપકરણો: વિવિધ ઇલેક્ટ્રોનિક સાધનો વિકસાવવા માટે વપરાય છે
, જેમ કે ઇલેક્ટ્રોનિક રમકડાં, રિમોટ કંટ્રોલ્સ, મીની કેલ્ક્યુલેટર, વગેરે.
Industrial industrial દ્યોગિક ક્ષેત્ર: પીએલસી, industrial દ્યોગિક નિયંત્રકો, પ્રક્રિયા ઓટોમેશન અને શિપ સ્વચાલિત નિયંત્રણ સાધનો, વગેરેમાં વપરાય છે.
Ecend ડેટા એક્વિઝિશન અને સેન્સર ઇન્ટરફેસ: પર્યાવરણીય પરિસ્થિતિઓને મોનિટર કરવા અને ડેટા એકત્રિત કરવા અથવા લાઇટ સેન્સર, તાપમાન સેન્સર અને ભેજ સેન્સર જેવા વિવિધ સેન્સરને કનેક્ટ કરવા માટે વપરાય છે.
Meb એમ્બેડેડ કંટ્રોલ સિસ્ટમ: વિવિધ એમ્બેડેડ કંટ્રોલ સિસ્ટમ્સ, જેમ કે ઘરેલું ઉપકરણો, industrial દ્યોગિક ઉપકરણો, પાવર ટૂલ્સ, વગેરે ડિઝાઇન કરવા માટે વપરાય છે તેની 8-બીટ પ્રોસેસિંગ પાવર ઘણા સરળ નિયંત્રણ કાર્યો માટે પૂરતી છે.
STM8S103F3P6 એ STMicroelectronic દ્વારા વિકસિત એક માઇક્રોકન્ટ્રોલર ચિપ છે.તે 8-બીટ માઇક્રોકન્ટ્રોલર્સના એસટીએમ 8 કુટુંબનું છે અને વિવિધ એમ્બેડ કરેલી સિસ્ટમો અને આઇઓટી એપ્લિકેશનોમાં વ્યાપકપણે ઉપયોગ થાય છે.
STM8S103F3P6 માઇક્રોકન્ટ્રોલર યુનિટમાં 640 બીટ રોમ, 10-બીટ 5-ચેનલ્સ એડીસી, 1 કેબી રેમ અને 8 કેબીના પ્રોગ્રામ મેમરી કદ સાથે છે.
અમે STM8S103F3P6 ને MSP430G2353, PIC16LF18444T, STM8S103F3P3, STM8S103F3P3T અથવા STM8S103F3P6TR સાથે બદલી શકીએ છીએ.
હા, STM8S103F3P6 નીચા-પાવર સુવિધાઓ સાથે ડિઝાઇન કરવામાં આવી છે અને તેનો ઉપયોગ બેટરી સંચાલિત અથવા ઓછી-પાવર એપ્લિકેશનોમાં થઈ શકે છે જ્યાં energy ર્જા કાર્યક્ષમતા આવશ્યક છે.
એસટીએમ 8 એસ 103 એફ 3 પી 6 ની કેટલીક મુખ્ય લાક્ષણિકતાઓમાં જીપીઆઈઓ (સામાન્ય હેતુ ઇનપુટ/આઉટપુટ) પિન, યુએઆરટી (યુનિવર્સલ એસિંક્રોનસ રીસીવર/ટ્રાન્સમિટર) કમ્યુનિકેશન, આઇ 2 સી (ઇન્ટર-ઇન્ટિગ્રેટેડ સર્કિટ) કમ્યુનિકેશન, એસપીઆઈ (સીરીયલ પેરિફેરલ ઇન્ટરફેસ) કમ્યુનિકેશન, ટાઈમર્સ અને વધુ શામેલ છે.
અમારા વિશે
દર વખતે ગ્રાહક સંતોષ.પરસ્પર વિશ્વાસ અને સામાન્ય હિતો.
લિથિયમ સિક્કો સેલ સીઆર 2354 ની તકનીકી લાક્ષણિકતાઓ
2024-08-02
એમેગા 328-પીયુ માઇક્રોકન્ટ્રોલર માટે વ્યાપક માર્ગદર્શિકા
2024-08-02
ઇમેઇલ: Info@ariat-tech.comHK Tel: +852 30501966ઉમેરો: આરએમ 2703 27 એફ કિંગ ક Commમ સેન્ટર 2-16,
ફા યુએન સેન્ટ મોંગકોક કોલૂન, હોંગકોંગ.